模擬汽車轉向器的扭力,該試驗裝置有加裝扭力傳感器,可實時監測汽車轉向的扭力值,屬機械設備的一類。
1、試驗裝置上安裝什么類型的傳感器?
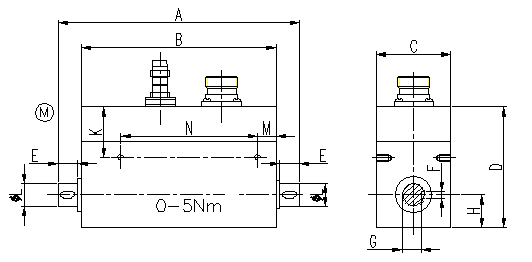
國產扭力傳感器的使用,型號:cpr0160,品牌科普瑞,量程:0203.0.5.10.200,500,200,5000Nm,用途和特點:電阻應變為敏感元件,輸出正反轉扭矩信號,兩端均為鍵連接。


2、扭力傳感器在汽車試驗裝置使用的用途與作用:
做汽車轉向性能試驗、耐久性試驗時,需使用扭矩傳感器,采集轉向力。特點:安裝簡便,信號抗干擾能力強,可替代進口。

時間:2024-05-06 16:28:17 作者:小編 點擊:次
模擬汽車轉向器的扭力,該試驗裝置有加裝扭力傳感器,可實時監測汽車轉向的扭力值,屬機械設備的一類。
國產扭力傳感器的使用,型號:cpr0160,品牌科普瑞,量程:0203.0.5.10.200,500,200,5000Nm,用途和特點:電阻應變為敏感元件,輸出正反轉扭矩信號,兩端均為鍵連接。


做汽車轉向性能試驗、耐久性試驗時,需使用扭矩傳感器,采集轉向力。特點:安裝簡便,信號抗干擾能力強,可替代進口。
